
skoda.virt.cz
odkaz
stránky o vozech Škoda 105-136, Rapid, Garde a jejich předchůdcích
Ruční spínač ventilátoru
prohledat
19 příspěvků (zobrazeno 1 až 19) od 22.08.2005 do 25.08.2005, založil/a Martin2705
00:51:00
25.08.2005
25.08.2005

Pilot 105
-> Palic: Jj, ale já tam mám ještě kontrolku.

20:07:46
24.08.2005
24.08.2005

Tomáš SK
-> Martin2705: Preco? Chod do mototechny, vypytaj si spinacie relatko, vyvody su na nom oznacene. Zapojis to tak, ze 85 bude kostra, 86 bude viest + od tvojho tlacitka (ktore bude spustat ventilator), na 30 napojis hrubsi vodic (tym bude tiect prud k ventilatoru) od poistiek (+) a 87 pripojis ku kladnemu polu na ventilatore. Hadam som nenapisal blud, ak hej, urcite ma niekto opravi
Ako elegantne to potom urobis, zalezi uz len na tebe.
Ako elegantne to potom urobis, zalezi uz len na tebe.19:05:29
24.08.2005
24.08.2005

Martin2705
Jak tak na to koukám, tak radši řeknu kámošovi elektrkářovi. Moje el. znalosti končí u zapojení otáčkoměru

15:54:50
24.08.2005
24.08.2005

Rooney - zrušená registrace
-> Milošek: Já zase přemíšlím o větráčku z Hondy Civic r.92 díval jsem se na to u kámoša a možná to tam i vleze.

07:40:48
24.08.2005
24.08.2005

Palic - zrušená registrace
-> Majkl: no byrvy odpovidaji barvam kabelu..... takovy to hranaty je chladic s ventilatorem.... vypinac jsi poznal, relatku je klasika spinaci (pouzito na svetlach u novejsich modelu).... a zbytek jsem uz popsal........ :)))
-> Pilot 105: mam pocit ze to tvoje zapojeni je jen lepe nakreslene moje.... :))))
-> Pilot 105: mam pocit ze to tvoje zapojeni je jen lepe nakreslene moje.... :))))
21:04:30
22.08.2005
22.08.2005

Milošek
-> Rooney: jo ja tam chtel dat s klimy z xsary ale je kapanek vetsi

19:44:14
22.08.2005
22.08.2005

Rooney - zrušená registrace
no ja sem dal do pr...e celý ten ventilátor a nemůžu si stěžovat. Chladí to líp!!
Tatovou 120cku jsem tahl na laně až od Holešova , bylo horko jako prase ale ani v kopci se to nepřehřívalo! Až jsem se divil!
No ale do budoucna tam nějaký větrák dám ale z nějakého novějšího auta.
Tatovou 120cku jsem tahl na laně až od Holešova , bylo horko jako prase ale ani v kopci se to nepřehřívalo! Až jsem se divil!
No ale do budoucna tam nějaký větrák dám ale z nějakého novějšího auta.19:28:12
22.08.2005
22.08.2005

Milošek
-> PeterP136: no taky sem se k tomu dokopal az kdyz sem menil chladic a dalsi dva mesice sem jezdil se slepym cudlitkem nez sem to zlikvidoval

19:24:16
22.08.2005
22.08.2005

PeterP136
-> Milošek: Ja som spinac do..dele nedal :). Jednak by sa mi to nepacilo :) a druhak som velmi lenivy to z auta vysmarit :). Inac plne suhlasim. nove cidlo a nemrzka a nebude take aby sa nezopol sam.
18:09:14
22.08.2005
22.08.2005

Milošek
ja to dal do pr..... zlata automatika koupil jsem new cidlo,chladic poradne ocistil kontakty a zaizoloval a nemuzu si stezovat:)lidi dost cumej kdyz nekam prijedu zamknu centralem,kvikne alarm a jeste bezi sahara

11:09:08
22.08.2005
22.08.2005

Pilot 105
Řešení je mnoho. Tady je další z nich.
09:39:28
22.08.2005
22.08.2005

Majkl
-> honzam: no radejc zustanu u svojeho resení 

09:30:03
22.08.2005
22.08.2005

Honza M
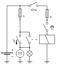
-> Majkl: relátko a takový to T je uzemění (kostra) 

09:22:44
22.08.2005
22.08.2005

Majkl
-> Palic: co to je za obrázek ?? vidim tam jen nejaky cary a jeste si z fyziky pamatuju vypinac ale zbytek??


09:19:06
22.08.2005
22.08.2005

Palic - zrušená registrace
jinak v zavorce je vzdy cislo pojistky........ a toto zapojeni udela ze pri vypnuti zapalov ni nemusis premejslet nad tim jestli jsi vetrak vypnul....... vypne se sam.....
kabely pouzit pokud mozno o prurezu min 1,5mm2 pokud das silnejsi nic tim neskazis (poznas ze pres vypinac jede rychleji nez pres termospinac na chladici......
kabely pouzit pokud mozno o prurezu min 1,5mm2 pokud das silnejsi nic tim neskazis (poznas ze pres vypinac jede rychleji nez pres termospinac na chladici......
09:16:23
22.08.2005
22.08.2005

Palic - zrušená registrace
a nebo takhle.......
08:52:04
22.08.2005
22.08.2005

Majkl
protahni si draty co vedou primo do vetraku do kabiny pres spinac a je to...
08:33:45
22.08.2005
22.08.2005

Valda - zrušená registrace
Pripoj to paralelne s termostatem a spinac nekam k volantu. Zadna veda. Bud to zapnes ty nebo termostat.
07:41:59
22.08.2005
22.08.2005

Martin2705
Jak vykutit?
