skoda.virt.cz
stránky o vozech Škoda 105-136, Rapid, Garde a jejich předchůdcích
Signalizacia napätia autobaterky
22:07:09
05.12.2005
05.12.2005

pajavlk
sunset: můžu poprosit o to schéma ?
20:09:22
05.12.2005
05.12.2005

rolls
-> King: ehm...si ma trocha dostal, nestaci hodit voltmeter na alternator tak aby mi to ukazovalo ako mi to dibija? tiez som si to tak predstavoval a predsa aj tak sa kontroluje alternator ci dobija nje? please neotrhnut mi hlavu, o elektrike vjem ze kope 

18:07:38
05.12.2005
05.12.2005

strucy
ja mám resp. mal som takéto
13:30:34
05.12.2005
05.12.2005

Nojmis
-> sunset: jj to je ten co si nastavim min.a max. a barvy rozdelim jak chci a je to. myslim ze tam bylo to desetidiodovy LMko
s nim jsem byl hodne spokojeny
s nim jsem byl hodne spokojeny
12:28:29
05.12.2005
05.12.2005

sunset
Já sem si udělal deseti diodovej, ukazuje od 10,5 až po 15 V po 0,5 V a je to úplně skvělý. Jestli někdo chcete, tak vám naskenuju schéma aji s tišťákem. skoda.stable.cz/cz/index.
php?id=4&i...
20:07:04
04.12.2005
04.12.2005

Libor
nemel by ste nekdo takovyhle ale musi bejt funkcni a dbre popsany sem docela v tomhle laik s tim voltetrem a enerkou, na skoda 110R to maj vyrobeny z palivomeru ,chtel sem si to vyrobit ale nak mi to jaksi nefakalo tak neumel by to nekdo prekreslit a dat to sem. hodne lidi to uvita

18:22:14
04.12.2005
04.12.2005

Pedros
Tohle tam mám v takovej malej krabičce na palubce
a jsem s tím moc spokojenej,moc dobře to signalizuje dobíjení
a jsem s tím moc spokojenej,moc dobře to signalizuje dobíjení18:21:06
04.12.2005
04.12.2005

Pedros
osazení
18:20:18
04.12.2005
04.12.2005

Pedros
tišťák
18:18:15
04.12.2005
04.12.2005

Pedros
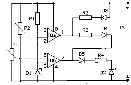
1,R2,R3,R4................
..1k
D1....................... .............BZX9V1 (KZ260/9V1)
D2....................... .............KZ140
D3....................... .............LED/žl.
D4....................... .............LED/zel.
D5....................... .............LED/čer.
P1,P2.................... ...........TP009/10k
IO....................... .............MA1458(TL072)
D1....................... .............BZX9V1 (KZ260/9V1)
D2....................... .............KZ140
D3....................... .............LED/žl.
D4....................... .............LED/zel.
D5....................... .............LED/čer.
P1,P2.................... ...........TP009/10k
IO....................... .............MA1458(TL072)
15:50:01
04.12.2005
04.12.2005

King
Samotnej rucickovej voltmetr je v siti auta nanic, musi bej zapojenej v zapojeni se zenerkou a pod. , aby se "potlacilo" napeti pod 11V a byl k dispozici celej rozsah meraku v rozsahu 11-14V (cca). Schema treba nekdo nahodi....
15:44:01
04.12.2005
04.12.2005

laky
Ten voltmeter tam napojit cez aky odpor, ci len samotny?

00:35:45
04.12.2005
04.12.2005

King
2 laky: Jestli si od toho ukazatele slibujes, ze pri zimnim startu se dozvis na cem jses, pak marne
Primarni funkce techhle pristroju je ukazovat za jizdy, jak altik stiha dobijet baterku. Z orientacniho udaje napeti pred startem toho moc nevyctes....
Primarni funkce techhle pristroju je ukazovat za jizdy, jak altik stiha dobijet baterku. Z orientacniho udaje napeti pred startem toho moc nevyctes....22:01:55
03.12.2005
03.12.2005

rolls
-> laky: si kup voltmeter od Conrada a zapoj to na baterku namiesto alternatora. simple
19:16:57
03.12.2005
03.12.2005

minno
-> laky: najjednoduchsie je pripojit tam obyc. rucickovy maly voltmeter a hotovo

18:47:10
03.12.2005
03.12.2005

laky
Nema niekto nejaku schemu ako urobit jednoduchy ukazovatel stavu baterie?(len aby to vela nezralo z baterky
) Pri zimnych startoch by mi to pomohlo vediet na com som. Na Ladach take nieco bolo ale na Skodovkach som to akosi nezazrel. Dik
) Pri zimnych startoch by mi to pomohlo vediet na com som. Na Ladach take nieco bolo ale na Skodovkach som to akosi nezazrel. Dik
