skoda.virt.cz
stránky o vozech Škoda 105-136, Rapid, Garde a jejich předchůdcích
Vystražní světla favo felda
prohledat
10 příspěvků (zobrazeno 1 až 10) od 08.01.2007 do 11.01.2007, založil/a Shadow - zrušená registrace
20:50:17
11.01.2007
11.01.2007

Shadow - zrušená registrace
dík už jsme na to s Kalibánem došli
11:08:58
11.01.2007
11.01.2007

twimpi1
jo a kontroluj pojisty jestli nejsou kaput potom mužeš skoušet do aleluja a nic
11:06:48
11.01.2007
11.01.2007

twimpi1
ta šeda je bíli kablík doufám že ti to pomůže chce to prostě skoušet já škrtal kablama dva dny před barákem a bez plánku takže to jde 

11:03:52
11.01.2007
11.01.2007

twimpi1
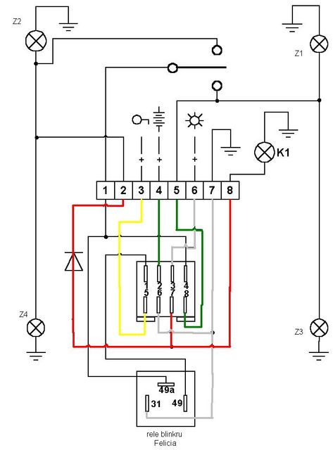
foto
11:02:39
11.01.2007
11.01.2007

twimpi1
foto
20:42:13
10.01.2007
10.01.2007

Shadow - zrušená registrace
-> TAZI: tam sem se díval a nějak mi to nefunguje
-> twimpi1: to to by si mi s tím hodně pomohl a mohl by si udělat barevné schéma jak pro blbýhtj. pro mě díko
-> twimpi1: to to by si mi s tím hodně pomohl a mohl by si udělat barevné schéma jak pro blbýhtj. pro mě díko
20:26:00
10.01.2007
10.01.2007

TAZI
mrkni na www.skoda.panda.cz
20:02:46
10.01.2007
10.01.2007

twimpi1
jestli mi zítra výjde čas tak ti na to kouknu jak to mám zapojený ok
06:56:09
10.01.2007
10.01.2007

Shadow - zrušená registrace
nikdo neporadí jo tak dík tedy
17:16:27
08.01.2007
08.01.2007

Shadow - zrušená registrace
Zdar potřeboval bych pomoc dával sem si palubku s fely a potřeboval bych zapojit vystražný blikače a nevím jak na to stahnul jsem si shema z netu ale nějak sem ho nepohopil. nemohl by mi někdo to nakreslit a od feldy vypínače k 8 polové svorkovnici favo dík
